濕電除塵係統異態分析以及常見的故障
所屬分類:陽極管資訊 點擊次數:9068 發布日期:2020-02-20
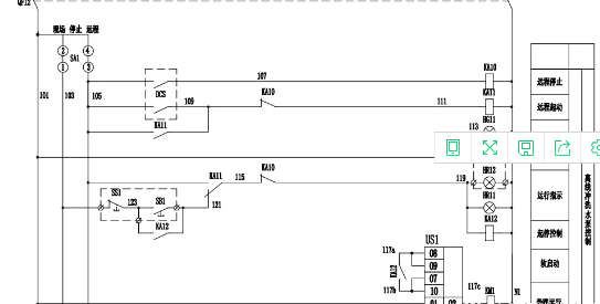
濕電除塵器是脫硫工藝流程中重要的工業除塵設備,但運行過程中有時候也會出現一些小問題,如在離線衝洗水泵投運時,最開始的時候就地控製櫃上的運行和停止信號會同時出現,而後在幾秒之後重新恢複正常指示狀態,停止信號消失。

通過原理圖91香蕉网站在线观看可以知道,停止信號是由接觸器KM1的常閉信號點控製的,在剛剛啟動電機時,電機的啟動由軟啟動器控製,KM1需要在軟啟動結束後得電動作,停止信號才會消失。所以這種啟停信號同時出現的狀況並不是故障,而是係統設計上的一點小瑕疵,也不會影響設備的正常使用。

之所以采用軟啟動器是因為離線衝洗水泵是一台75KW的較大電機,如果直接啟動會對脫硫段母線電壓發生較為明顯的電壓降,對其他設備的運行造成不利影響。軟啟動器是采用三相反並聯晶閘管作為調壓器,將其接入電源和電動機定子之間。這種電路如三相全控橋式整流電路。使用軟啟動器啟動電動機時,晶閘管的輸出電壓逐漸增加,電動機逐漸加速,直到晶閘管全導通,電動機工作在額定電壓的機械特性上,實現平滑啟動,降低啟動電流,避免啟動過流跳閘。待電機達到額定轉數時,啟動過程結束,軟啟動器自動用旁路接觸器取代已完成任務的晶閘管,為電動機正常運轉提供額定電壓,以降低晶閘管的熱損耗,延長軟啟動器的使用壽命,提高其工作效率,又使電網避免了諧波汙染。
針對91香蕉网站在线观看日常工作中經常出現的關於濕電除塵係統的問題及解決,91香蕉网站在线观看也作出一個羅列:


無錫91香蕉网站在线观看設備製造有限公司是一家專業從事環保設備——濕式靜電除塵器生產廠家,已為多家大型環保企業量身定製濕電除塵設備,具有豐富的技術經驗。歡迎新老客戶來場參觀考察,24小時服務電話:13656199922
上一篇:濕電除塵器板式和管式的區別在哪裏
下一篇:濕電除塵技術的知識簡介
相關香蕉APP视频污版在线
- 大香蕉网址无遮挡陽極管和陽極板之間的區別 [2025-07-15]
- 大香蕉网址无遮挡陽極管的優點介紹 [2025-07-07]
- 大香蕉网址无遮挡陽極管的工作性能 [2025-07-04]
- 濕電大香蕉网址无遮挡陽極模塊的優勢分析 [2025-06-30]
- 2205大香蕉网址无遮挡陽極管的應用分析 [2025-05-29]
- 大香蕉网址无遮挡陽極管其基本原理 [2025-05-19]

